Lawn Mower Parts Diagram : Poulan P2260a Mower Parts Diagram For Rotory Lawn Mower / Honda hrt216 lawn mower parts;

Info Populer 2022

Lawn Mower Parts Diagram : Poulan P2260a Mower Parts Diagram For Rotory Lawn Mower / Honda hrt216 lawn mower parts;

Lawn Mower Parts Diagram : Poulan P2260a Mower Parts Diagram For Rotory Lawn Mower / Honda hrt216 lawn mower parts;
Lawn Mower Parts Diagram : Poulan P2260a Mower Parts Diagram For Rotory Lawn Mower / Honda hrt216 lawn mower parts;

Lawn Mower Parts Diagram : Poulan P2260a Mower Parts Diagram For Rotory Lawn Mower / Honda hrt216 lawn mower parts;. We carry the complete line of genuine mtd parts for all mtd machines including lawnmowers, snowblowers, trimmers, tractors and more. The truth is, nobody knows your exmark machine better than the people who developed it. Honda hrb215 hrb216 hrb217 lawn mower parts; Find the replacement parts you need to keep your lawn mower, snow blower and other outdoor power equipment performing strong and running like new. We have a large selection of illustrated parts diagrams to help you find the part you need.

Complete exploded views of all the major manufacturers. A rotary lawn mower has blades mounted beneath the unit. P1100 18 volt lawn mower mfg. And 250 million in lawnmower parts, we know lawnmower parts. Searching for your john deere parts online has never been.

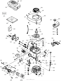
Snapper Lt 125 Parts Manual Pdf Download Manualslib
Snapper Lt 125 Parts Manual Pdf Download Manualslib from data2.manualslib.com
The first of its kind. And 250 million in lawnmower parts, we know lawnmower parts. We are your bad boy zero turn mower parts source. If you do not see the mtd lawn mower parts you need, please complete the lawn mower parts request form and we will be happy to assist you. Free shipping on orders of $39.99 or more. Badboymowerparts.com has the parts diagrams for the models. Honda hrr lawn mower parts look up diagrams. Cub cadet lawn mower parts.

Simply select your model number from the drop down catalog or type in your model number in the search bar.

How to find mtd model number. Posted price is in us dollars and is the manufacturer's suggested sale price. And 250 million in lawnmower parts, we know lawnmower parts. Badboymowerparts.com has the parts diagrams for the models. Lawn boy lawn mower parts that fit, straight from the manufacturer. Find your ferris mower parts here with our conveient lookup tool. Free shipping on orders of $39.99 or more. The online john deere parts diagram and look up tool is an incredible source. Mtd parts and mtd parts diagrams mtd and the mtd logo ® mtd products inc, cleve., oh usa. We carry everything for your machine and the parts diagram helps visualize every component found in your equipment. We carry millions of appliance parts, snow blower, lawn & garden replacement parts, water filters and more. Scotts lawn mowers exploded view parts lookup by model. This online parts catalog is robust and easy to use.

It is a complete catalog that shows you detailed parts diagrams of every part of your machine. This online parts catalog is robust and easy to use. Honda hrm195 hrm215 lawn mower parts; Use our parts lookup by model, part number or part name. Mtd outdoor power equipment has earned a reputation of affordable quality.

How To Renovate A Qualcast E1 Push Lawn Mower
How To Renovate A Qualcast E1 Push Lawn Mower from www.britishexplorers.com
If you don't see the parts diagram your need or just can find the part you are looking for please complete our parts help request form and we will be happy to assist you. We are happy to help you find the bad boy lawn mowers parts you. We carry everything for your machine and the parts diagram helps visualize every component found in your equipment. Honda hrr lawn mower parts are sold both online and offline. Use our interactive diagrams, accessories, and expert repair help to fix your lawn boy lawn mower. Use our parts lookup by model, part number or part name. Search for parts using your model number, or the part number you are replacing. The online john deere parts diagram and look up tool is an incredible source.

Keep your mower running strong with craftsmanâ® replacement blades, air, oil and fuel filters, spark plugs, and belts for riding mowers.

Use our interactive diagrams, accessories, and expert repair help to fix your lawn boy lawn mower. For professional landscapers to homeowners we have the lawnmower parts for you. How to find mtd model number. Your one stop for lawnmower parts, with more than 16 warehouses thru out the u.s.a. Find your ferris mower parts here with our conveient lookup tool. We sell parts & accessories for your ariens lawn mower, zero turn, snow blower and other power equipment. Illustrated parts diagrams by manufacturer. Honda hrr lawn mower parts; Select a model number to pass to the search box. Honda hr21 hr214 hr215 hr216 lawn mower parts; If you have any probelms finding the bad boy mower parts in the list below please call us at 855.888.7278 or chat with us. So, if you don't use original exmark parts on your mower or turf management equipment, it's not 100% an exmark. The best option is oem parts.

However, machine owners should not just buy parts they see anywhere. Find your ferris mower parts here with our conveient lookup tool. We have a large selection of illustrated parts diagrams to help you find the part you need. We have parts, diagrams, accessories and repair advice to help make your tool repairs easy. P1100 18 volt lawn mower mfg.

Craftsman Lawn Mower Parts Manual 944 361351
Craftsman Lawn Mower Parts Manual 944 361351 from www.rpmpieces.com
P1100 18 volt lawn mower mfg. No matter where you bought it, sears parts direct has the right parts. We have a large selection of illustrated parts diagrams to help you find the part you need. This online parts catalog is robust and easy to use. A rotary lawn mower has blades mounted beneath the unit. We sell parts & accessories for your generac equipment. Badboymowerparts.com has the parts diagrams for the models. Honda hrs lawn mower parts;

Honda hrc lawn mower parts;

Cub cadet lawn mower parts. Honda hr21 hr214 hr215 hr216 lawn mower parts; Find your grasshopper lawn mower oem replacement parts with the mower shop, inc. Honda hrm195 hrm215 lawn mower parts; Honda hrb215 hrb216 hrb217 lawn mower parts; We carry millions of appliance parts, snow blower, lawn & garden replacement parts, water filters and more. Find all of your bad boy lawn mowers parts here. The online john deere parts diagram and look up tool is an incredible source. A rotary lawn mower has blades mounted beneath the unit. If you have any probelms finding the bad boy mower parts in the list below please call us at 855.888.7278 or chat with us. Departments accessories appliance parts exercise. Honda hrs lawn mower parts; Ariens genuine oem parts provide peace of mind and the confidence of knowing these parts were specifically designed for an exact fit, optimal performance and safety.

Advertisement

Iklan Sidebar