Craftsman 42' Riding Mower Parts Diagram - Mtd 13bj78ss099 247 288843 Lt2000 2013 Parts Diagram For Mower Deck - Enter your craftsman model number below.

Info Populer 2022

Craftsman 42' Riding Mower Parts Diagram - Mtd 13bj78ss099 247 288843 Lt2000 2013 Parts Diagram For Mower Deck - Enter your craftsman model number below.

Craftsman 42' Riding Mower Parts Diagram - Mtd 13bj78ss099 247 288843 Lt2000 2013 Parts Diagram For Mower Deck - Enter your craftsman model number below.
Craftsman 42' Riding Mower Parts Diagram - Mtd 13bj78ss099 247 288843 Lt2000 2013 Parts Diagram For Mower Deck - Enter your craftsman model number below.

Craftsman 42' Riding Mower Parts Diagram - Mtd 13bj78ss099 247 288843 Lt2000 2013 Parts Diagram For Mower Deck - Enter your craftsman model number below.. Free shipping on parts orders over $45. How to find your craftsman model number >. Pin on auto maintenance and repair. The alternator is a set of wire coils under the flywheel of the engine that generates electricity to power the tractor when it's running. Parts lookup for craftsman power equipment is simpler than ever.

Lawnmowers parts craftsman 42 cut riding lawn mower belts 144959 and fits poulan husqvarna. Keep your mower running strong with craftsmanâ® replacement blades, air, oil and fuel filters, spark plugs, and belts for riding mowers. Craftsman riding lawn mower model 13an77xs093 mtd parts. In stock on april 24, 2021. New craftsman 42 riding lawn mower deck belt # 144959 (set of 3) 1/2 x 95.

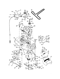
Craftsman 917270530 User Manual 14 5hp 42 Mower Lawn Tractor Manuals And Guides L0020132
Craftsman 917270530 User Manual 14 5hp 42 Mower Lawn Tractor Manuals And Guides L0020132 from usermanual.wiki
New craftsman 42 riding lawn mower deck belt # 144959 (set of 3) 1/2 x 95. Get it as soon as tomorrow, jun 17. Most common sears parts that need replacing on craftsman riding lawn mowers and lawn tractors. Vg 0172 murray riding lawn mower parts diagram replacement spindle for wiring. In stock on april 24, 2021. Keep your mower running strong with craftsmanâ® replacement blades, air, oil and fuel filters, spark plugs, and belts for riding mowers. Craftsman 25587 42 19 hp briggs stratton fender hydro automatic. 26 best 42 inch craftsman deck images in 2020 mower.

Craftsman 42 riding lawn mower deck mandrel # 130794 & fits poulan husqvarna.

Lawnmowers parts craftsman 42 cut riding lawn mower belts 144959 and fits poulan husqvarna. Craftsman hydrostatic transmission diagram craftsman t150 19 hp hydrostatic 46 in riding lawn mower with. Most common sears parts that need replacing on craftsman riding lawn mowers and lawn tractors. Sears craftsman 21 hp lt1000 lawn mower tractor 917 273522 owner. Husqvarna craftsman 42 riding mower deck engagement cable 175067 169676 532169676. Craftsman 917270671 front engine lawn tractor parts sears. Craftsman 25587 42 19 hp briggs stratton fender hydro automatic. Keep your mower running strong with craftsmanâ® replacement blades, air, oil and fuel filters, spark plugs, and belts for riding mowers. The air filter prevents abrasive particles from entering the engine's cylinders, which could cause mechanical wear and oil contamination.; Craftsman tractors parts lookup by model. Enter your craftsman model number below. Replacements for ariens, craftsman, husqvarna, poulan and more! Vz 7701 craftsman mower deck diagram lawn.

Craftsman hydrostatic transmission diagram craftsman 917259592 hydro gear transaxle model number 310 0650. Whether you need a new air filter, mower blade, carburetor, or oil filter, you can trust jack's to provide a quality replacement part for your craftsman mowers. Free shipping on orders over $25 shipped by amazon. New craftsman 42 riding lawn mower deck belt # 144959 (set of 3) 1/2 x 95. 42 craftsman mower deck parts available for.

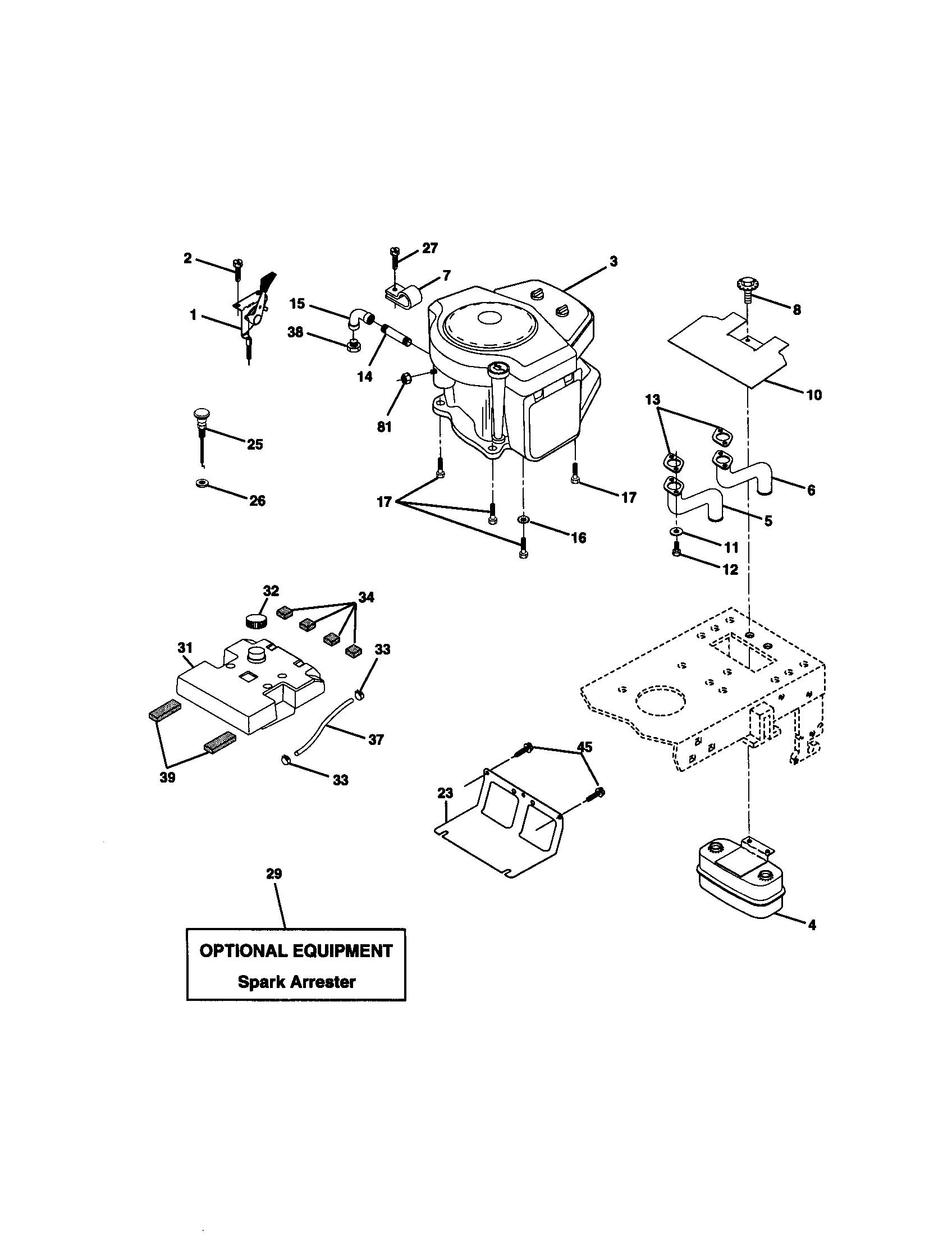
Craftsman 247273430 Transmission Diagram Lawn Tractor Craftsman Riding Lawn Mower Tractors
Craftsman 247273430 Transmission Diagram Lawn Tractor Craftsman Riding Lawn Mower Tractors from i.pinimg.com
Craftsman hydrostatic transmission diagram craftsman t150 19 hp hydrostatic 46 in riding lawn mower with. Sears craftsman 21 hp lt1000 lawn mower tractor 917 273522 owner. Murray 46 inch cut lawn tractor 46562x8a ereplacementparts com. Murray lawn tractor 38633x92a ereplacementparts com. Ayp lt1000 42 deck rebuild kit fits sears craftsman mowers. Enter your craftsman model number below. Whether you need a new air filter, mower blade, carburetor, or oil filter, you can trust jack's to provide a quality replacement part for your craftsman mowers. Click the search button to see more results.

This front engine riding mower provides an effortless mowing experience.

Craftsman 42 riding lawn mower deck mandrel # 130794 & fits poulan husqvarna. Craftsman riding mower steering parts 3000 lawn tractor cut book. Search for your craftsman model. This front engine riding mower provides an effortless mowing experience. Find parts for your craftsman t130 riding lawn mower cmxgram1130038. Mtd ztl7000 17ak2acs099 (247.25001) (2012), 17ak2acs099 (2012) mower deck exploded view parts lookup by model. Lawnmowers parts craftsman 42 cut riding lawn mower belts 144959 and fits poulan husqvarna. Keep your mower running strong with craftsmanâ® replacement blades, air, oil and fuel filters, spark plugs, and belts for riding mowers. Craftsman 917270671 front engine lawn tractor parts sears. Husqvarna craftsman 42 riding mower deck engagement cable 175067 169676 532169676. Craftsman 25587 42 19 hp briggs stratton fender hydro automatic. Com mr mower parts ayp 42 deck rebuild kit for sears. 35 craftsman lt1000 drive belt diagram wiring list.

Category (384) specialty parts (42) belts. Ayp 36 inch to 42 deck parts diagram lawnmower pros. Find all the parts you need for your craftsman lawn mower 917.252600 at repairclinic.com. Mtd ztl7000 17ak2acs099 (247.25001) (2012), 17ak2acs099 (2012) mower deck exploded view parts lookup by model. T130 42 in 18 5 hp automatic riding mower cmxgram1130038.

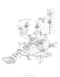
Craftsman 917271053 Front Engine Lawn Tractor Parts Sears Partsdirect
Craftsman 917271053 Front Engine Lawn Tractor Parts Sears Partsdirect from c.searspartsdirect.com
Free shipping on orders over $25 shipped by amazon. Parts lookup for craftsman power equipment is simpler than ever. Free shipping on parts orders over $45. The air filter prevents abrasive particles from entering the engine's cylinders, which could cause mechanical wear and oil contamination.; Vz 7701 craftsman mower deck diagram lawn. 27 craftsman dls 3500 parts diagram wiring list. Craftsman hydrostatic transmission diagram 917289470 craftsman 26 hp 54 inch automatic garden tractor manual. Replacements for ariens, craftsman, husqvarna, poulan and more!

Free shipping on orders over $25 shipped by amazon.

Search for your craftsman model. Lawnmowers parts craftsman 42 cut riding lawn mower belts 144959 and fits poulan husqvarna. 27 craftsman dls 3500 parts diagram wiring list. Murray 36 lawn tractor 4 36508 ereplacementparts com. Free shipping on orders over $25 shipped by amazon. 4.5 out of 5 stars. Craftsman hydrostatic transmission diagram 917289470 craftsman 26 hp 54 inch automatic garden tractor manual. We have manuals, guides and of course parts for common 917.270773 problems. Parts lookup for craftsman power equipment is simpler than ever. Replacements for ariens, craftsman, husqvarna, poulan and more! T130 42 in 18 5 hp automatic riding mower cmxgram1130038. How to find your craftsman model number >. Whether you need a new air filter, mower blade, carburetor, or oil filter, you can trust jack's to provide a quality replacement part for your craftsman mowers.

Advertisement

Iklan Sidebar